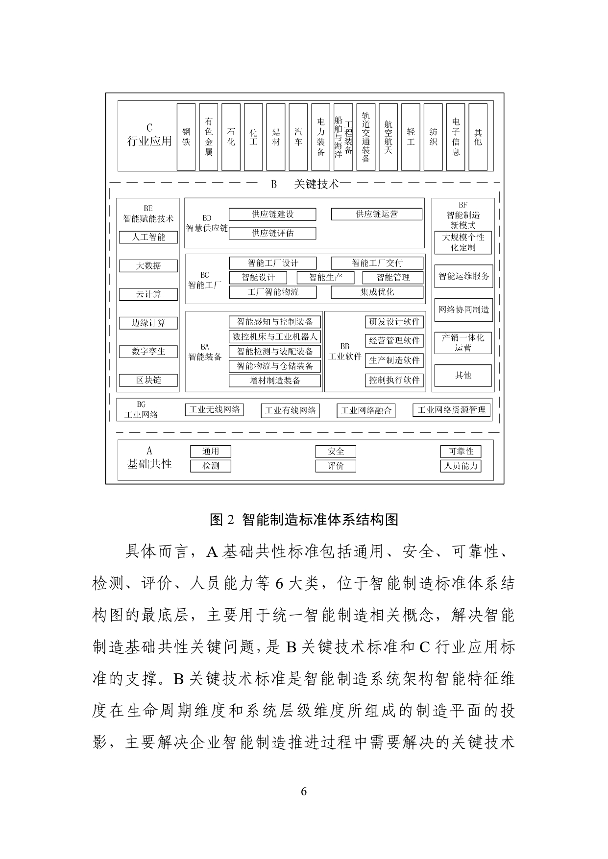
工业和信息化部 国家标准化管理委员会关于印发国家
智能制造标准体系建设指南(2024 版)的通知
工信部联科〔2025〕60号
各省、自治区、直辖市及计划单列市、新疆生产建设兵团工业和信息化主管部门、市场监管局(厅、委),有关行业协会、标准化技术组织和专业机构:
为贯彻落实《中华人民共和国国民经济和社会发展第十四个五年规划和2035年远景目标纲要》《国家标准化发展纲要》《“十四五”智能制造发展规划》,加强智能制造标准化工作顶层设计,切实发挥标准对推动智能制造高质量发展的引领作用,我们组织编制了《国家智能制造标准体系建设指南(2024版)》。现印发给你们,请结合实际,抓好贯彻落实。
工业和信息化部
国家标准化管理委员会
2025年3月7日










(更多详细内容请查看附件)

